产品中心

PRODUCT

产品中心

12KV一二次融合支柱式断路器

ZW32-12/T630-25KA一二次融合成套柱上断路器标准化设计面向目前一二次融合产品中应用量较大的普通型支柱式真空灭弧、深度融合型支柱式真空灭弧及罐式SF6气体灭弧柱上断路器三种产品。
如果您有任何问题可以联系我们!
联系我们

电话:0792-7669793   13479228866

扫一扫,加我为朋友
  • 详细信息
详细信息

一.一二次融合支柱式断路器前言:

按照公司“1135”配网运行服务管理要求,提高设备选型标准,健全质量控制体系,提升配电网设备耐用性,突出设备好的核心,依据安全可靠、坚固耐用、标准统一、通用互换的原则,全面推进配电设备标准化工作。

为满足不同厂家设备在一定范围和一定时期的通用互换使用,提升柱上断路器的运维便利性,公司组织中国电力科学研究院有限公司、设计院、运行单位、制造企业、检测机构等单位开展柱上断路器及配电自动化终端的典型结构方案、一次接口、馈线终端等标准化设计工作,本次12kV户外柱上断路器及配电自动化终端标准化设计面向目前一二次融合产品中应用量较大的支柱式真空灭弧及罐式SF6气体灭弧柱上断路器。便于产品在运行过程中发生故障或抽检发现某企业产品存在质量问题时,可方便整体直接更换其它厂家设备,各制造企业产品的内部结构可差异化设计。

二.一二次融合支柱式断路器标准化设计原则:

2.1 柱上断路器标准化设计原则

2.1.1 普通型支柱式户外柱上真空断路器

12kV普通型支柱式户外柱上真空断路器标准化设计依据以下原则:

(1)统一开关设备的关键技术参数,操动机构为弹簧操动机构,缩减设备物料编号;

(2)现阶段一二次融合标准化主要划分为电磁式、电子式、数字式支柱式三种模式,分别针对上述三种模式开展不同互感器类别的标准化配置,统一互感器的外形、安装尺寸,机构壳体的安装尺寸,连接端子的安装尺寸。

三.一二次融合支柱式断路器标准化设计方案:

3.1 概述

本次12kV户外柱上断路器标准化设计面向目前一二次融合产品中应用量较大的普通型支柱式真空灭弧、深度融合型支柱式真空灭弧及罐式SF6气体灭弧柱上断路器三种产品。

3.1.1 额定参数

(1)额定电流及额定短路开断电流

额定电流为630A,额定短路开断电流为20kA。

(2)额定短时耐受电流

额定短时耐受电流为20kA,额定短时耐受电流的持续时间为3s。

(3)机械寿命

真空灭弧柱上断路器机械寿命≥10000次。

SF6气体灭弧机械寿命≥5000次。

(4)电寿命

真空灭弧柱上断路器电寿命≥30次(E2级)。

SF6气体灭弧柱上断路器电寿命≥20次(E2级)。

(5)年漏气率

SF6气体灭弧柱上断路器气体年漏气率≤0.1%。

3.1.2 使用条件

按GB/T 11022中第2章的规定。

3.2 普通型支柱式户外柱上真空断路器

3.2.1 典型结构方案

12kV普通型支柱式户外柱上真空断路器按照配置互感器的原理分为电磁式互感器组合模式、电子式互感器组合模式和数字式互感器组合模式。

3.2.1.1 隔离开关

根据运行情况及技术成熟度,不设置一体化隔离开关。如需,则配置独立隔离开关。

3.2.1.2 供电/线测量电压互感器

供电及线测量PT为电磁式原理,独立安装。其中配合电磁式电流互感器模式时,包含供电和线电压测量双绕组,配合电子式互感器模式和数字式互感器模式时,仅包含供电单绕组。

3.2.1.3 零序/相测量电压互感器

零序/相测量电压互感器为电子式原理,其中配合电磁式电流互感器模式时,仅实现零序电压测量功能,配合电子式互感器模式和数字式互感器模式时,实现零序和相电压测量功能。

3.2.1.4 电流互感器

电流互感器包括电磁式原理和电子式原理两种,可实现测量、保护和零序功能,具备相电流、零序电流采集功能。

3.2.1.5 电磁式互感器组合模式

测量/保护/零序CT、零序PT分别为三相独立结构,且CT与零序PT为集成式结构,见图3-1。

其中:

测量/保护/零序CT为电磁式原理。

零序PT采用电子式原理。

供电及线测量PT为电磁式原理,包含供电和线电压测量双绕组。

图3-1 普通型支柱式电磁式模式结构示意图

3.2.1.6 电子式互感器组合模式

结构与电磁式模式结构相似,利用采样电阻将电流互感器输出的电流信号转变为电压信号,见图3-2。

测量/保护/零序CT为电子式原理。

电压互感器采用电子式原理,实现零序和相电压测量功能。

供电PT为电磁式原理,包含供电单绕组。

图3-2普通型支柱式电子式模式结构示意图

3.2.1.7 数字式互感器组合模式

结构与电子式模式结构相似,通过ADMU将采集的电气模拟量信号就地数字化后传输至馈线终端,见图3-3。

测量/保护/零序CT为电子式原理。

电压互感器采用电子式原理,实现零序和相电压测量功能。

供电PT为电磁式原理,包含供电单绕组。

图3-3普通型支柱式数字式模式结构示意图

3.2.2 一次接口及安装接口

3.2.2.1 供电/线测量电压互感器

(1)技术参数

分为供电、线测量双绕组和供电单绕组两种结构,采用环氧树脂与硅橡胶复合绝缘结构。

表3-1 技术参数表

项目

双绕组参数

单绕组参数

额定电压比

线电压测量:10kV/0.1kV
供电电压:10kV/0.22 kV

供电电压:10kV/0.22 kV

准确级

线电压:0.5级
供电电压:3级

供电电压:3级

温度范围

-40℃~70℃

-40℃~70℃

测量绕组输出容量

10VA

-

供电绕组输出容量

300VA

300VA

注:供电绕组输出容量中的300VA,要求时间30s,不考核线电压的准确级;长期输出容量约50VA,可满足蓄电池长时间充电要求,同时测量绕组准确度满足0.5级要求。

(2)外形图

外形结构如图3-4所示,按照双绕组外形进行设计,其中安装尺寸A为190mm,B为180mm,C为13mm,安装螺栓为4-M12mm。

图3-4电磁式电压互感器外形图

3.2.2.2 电磁式电流互感器

包括相测量、保护及零序CT功能。

(1)技术参数

表3-2 技术参数表

项目

参数

额定电流比

相电流:600A/5A或600A/1A
零序电流:100A/1A(电流扩大倍数≥6)

准确级

相电流:保护5P10级、测量0.5S级
零序电流:采用三个独立的100A/1A变比的电流互感器,一次侧输入电流为1A至额定电流时,满足1S级(角差、比差),保护准确度等级为5P10级。

额定输出容量

相CT:额定5A时,10VA,额定1A时,1VA;
零序CT:100A/1A,0.5VA。

温度范围

-40℃~70℃

(2)外形图

分别对应2.1章节中的三种结构使用,仅规定与互感器技术参数相关的外形尺寸,且兼顾相间绝缘,其余尺寸不做约束。

规定测量/保护/零序CT、零序PT三相独立结构外径尺寸D为160mm。

图3-5 电磁式电流互感器外形图

3.2.2.3 电子式电流互感器(LPCT)

(1)实现原理

电子式电流互感器的原理如图3-6所示。

图3-6物理合成三相电流互感器原理电路

(2)技术参数

表3-3 电子式电流互感器技术参数

项目

参数

额定变比

相:600A/1V
零序:20A/0.2V

准确级
(含线缆)

相:测量0.5S级,保护5P10
零序:采用三个独立的20A/0.2V变比的电流互感器,一次侧输入电流为1A至额定电流时,满足1S级(角差、比差),保护10P30

额定负荷

20 kΩ

终端输入阻抗

≥20 kΩ

(3)外形图

外形结构要求与章节3.2.2.2电磁式电流互感器相同。

3.2.2.4 电子式电压互感器

(1)实现原理

电子式电压互感器的原理如图3-7所示。

a)阻抗分压型三相电压互感器原理电路

b)CVT 型三相电压互感器原理电路

图3-7 电子式电压互感器原理电路

(2)技术参数

表3-4 技术参数表

项目

参数

额定电压比

相电压:(10kV/)/(3.25V/)
零序:(10kV/)/(6.5V/3)

准确级
(含线缆)

相电压:0.5级
零序电压:3P

额定负荷

2MΩ±5%

终端输入阻抗

≥2MΩ

(3)外形图

与章节3.2.2.2中要求相同,规定测量/保护/零序CT、零序PT三相独立结构外径尺寸D为160mm,见图3-5。

3.2.2.5 相间距

340mm。

3.2.2.6 安装接口

普通型支柱式户外柱上真空断路器机构箱底部安装孔为长圆孔4-ϕ14-18mm,位置为中心对称布置920mm×160mm,见图3-8,包括配置电磁式、电子式互感器产品。

图3-8普通型支柱式(电磁式和电子式)安装尺寸示意图

3.2.2.7 进出线端子

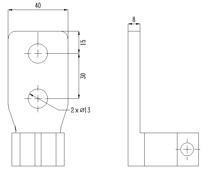
进出线端子截面尺寸为40mm×8mm,材质为T2铜及以上,电导率≥56 S/m;外表面镀锡处理,镀层厚度≥12μm;安装螺孔为2- ϕ13mm,孔间距为30mm,距离端面15mm,见图3-9所示。

(a)进线端子结构

(b)出线端子结构

图3-9 普通型支柱式进出线端子结构示意图

3.2.2.8 机构箱材质

机构箱材质的防腐蚀性能不应低于304不锈钢。

3.2.2.9 机构箱材质厚度

机构箱材质标称厚度≥3mm,尺寸允许偏差满足GB/T 708《冷轧钢板和钢带的尺寸、外形、重量及允许偏差》的B级精度要求。

3.2.2.10 机构箱防护等级

机构箱防护等级≥IP65。

3.2.2.11 ADMU模块

ADMU模块可以安装于机构箱侧面,如图3-10所示,通过密封接头与机构箱本体连接,应保证连接的密封性及可靠性。

图3-10 ADMU安装效果和更换方式示意图

3.2.2.12 支柱式极柱材质

可采用环氧树脂外包硅橡胶、户外环氧树脂。

3.2.2.13 支柱式极柱结构形式

固封极柱式、灌封式。

四:一二次融合支柱式断路器标准化现场安装支架:

采用单杆或双杆安装结构,安装支架参照《国家电网公司配电网工程典型设计10kV架空线路分册》要求。

图4-52 电压电流互感器安装方式示意图

信号汇集转换单元需满足通过绝缘操作杆进行带电更换的要求,就近安装于组合互感器侧支架上,信号转换单元外壳与柱上开关外壳之间通过接地线连接,如图4-53所示。

图4-53 信号汇集转换单元安装方式示意图

信号汇集转换单元与柱上开关、电压电流互感器、FTU通过航空电缆进行连接,连接方式如图4-54所示,电缆要求如表4-72所示。互感器连接电缆长度不超过1.2米,安装时必须固定于柱上开关支架上,避免在任何情况下触碰到高压带电导体。

图4-54 信号汇集转换单元与各部分连接示意图

表4-72 连接电缆明细表

序号

材料名称

单位

数量

备注

1

柱上开关连接电缆

1

根据不同开关航插定义定制

2

互感器连接电缆

根/组

1

预制

3

FTU连接电缆

1

预制

馈线终端和电源互感器的安装方式按照《国家电网公司配电网工程典型设计(10kV架空线路分册)》第16章相关规定执行。

4.5.3.5 主要材料表

表4-73主要材料表

序号

材料名称

单位

数量

备注

1

电压电流互感器

3


2

信号汇集转换单元

1


3

FTU(馈线终端)

1


4

柱上开关连接电缆

1


5

FTU连接电缆

1


6

电压电流互感器连接电缆

3


7

电压互感器


根据应用情况确定

8

电源互感器连接电缆

1


9

FTU安装抱箍

1


10

电源互感器安装支架


根据应用情况确定

4.5.3.6 试验和验收

(1)仓库改造

选择仓库改造的柱上开关按照出厂试验的要求进行试验。

(2)现场改造

选择现场改造的柱上开关按照现场交接试验的要求进行试验。

(3)试验要求

出厂试验和交接试验的试验方法和技术要求按照《12kV智能配电柱上开关试验技术规范》相关内容执行,试验项目详见表4-74。

表4-74试验项目列表

试验项目

仓库
出厂检测

现场
交接检测

技术要求
(对应规范条款)

备注

外观及结构检查

P

P

5.1、5.2、5.4、5.7、5.17


绝缘试验

工频电压试验

P

P

4.3.2.4


辅助和控制回路的绝缘试验

P

P

5.12


主回路电阻的测量

P

P



功能试验

P

P

4.2、5.6


机械联锁试验

P




准确度试验

电压准确度

P


4.3.5


电流准确度

P



有功/无功功率准确度

P



注:
1.试品的完整性包括但不限于开关设备、控制设备、互感器、通信装置、供电装置及连接电缆等。
2.P标注为需要开展的检测项目。

相关产品
联系我们
扫一扫,加我为朋友

在线
QQ

点击这里给我发消息 841496627
在线QQ

微信
咨询

扫一扫,加我为朋友
扫一扫,加我为朋友

服务
热线

0792-7669793

13479228866
服务热线

客服
邮箱

jxzhdl@126.com
客服邮箱