产品中心

PRODUCT

产品中心

ZW32户外真空断路器

zw32-12/630-20户外高压真空断路器(以下简称断路器)为额定电压12KV,三相交流50HZ的户外配电设备。主要用于开断、关合电力系统中的负荷电流、过载电流及短路电流。适用于变电站及工矿企业配电系统中作保护和控制之用,及农村电网频繁操作的场所。
如果您有任何问题可以联系我们!
联系我们

电话:0792-7669793   13479228866

扫一扫,加我为朋友
  • 详细信息
详细信息

一 ZW32-12F/630-20户外高压真空断路器概述:
ZW32型断路器系三相交流50Hz户外高压开关设备,主要用于农网和城网10kV系统,作为分、合负荷电流、过载电流及短路电流之用,也可作为城市市区10kV级电网的分段开关。本断路器也可配二次自供电源,适应配网自动化,为遥控、遥测、控制打下基础。

型号及含义
IMG_256

二 使用环境条件:
1周围空气温度±40℃以内;
2海拔不超过2000m;
3风压不超过700Pa(相当于风速34m/s);
4地震强度不超过6度。

主要技术参数
ZW32-12F/630-20户外高压真空断路器组合开关的主要技术参数如表:

序号

项目

单位

参数

1

额定电压

kV

12

2

额定电流

A

630//1250

3

工频耐压(min)

干试

kV

42

湿试

kV

34

4

雷电冲击耐压(峰值)

kV

75

5

额定短路开断电流

kV

16

20

6

额定短路关合电流(峰值)

kA

40

50

7

额定动稳定电流(峰值)

kA

40

50

8

4S热稳定电流

kA

16

20

9

额定操作顺序


分-0.3s-合分-180s-合分

10

额定短路电流开断次数

30

11

机械寿命

10000

12

储能电机额定电压

V

≌220、≌110、-48、―24

13

额定操作电压

分闸线圈

V

合闸线圈

14

动静触头允许磨损厚度

mm

3

15

隔离刀闸

额定电流

mm

630

16

重量



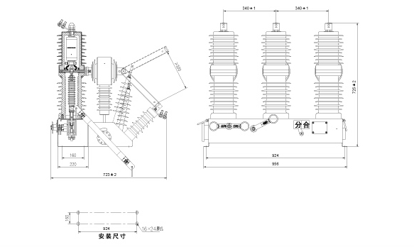
三,ZW32-12F/630-20户外高压真空断路器 外形尺寸图:

四, ZW32-12F/630-20户外高压真空断路器安装尺寸图:

相关产品
联系我们
扫一扫,加我为朋友

在线
QQ

点击这里给我发消息 841496627
在线QQ

微信
咨询

扫一扫,加我为朋友
扫一扫,加我为朋友

服务
热线

0792-7669793

13479228866
服务热线

客服
邮箱

jxzhdl@126.com
客服邮箱